【導讀】同樣,在直流充電樁中,市電通過非車載充電機轉換為高精度直流電,為電池充電。直流充電樁漏電保護分為交流側和直流側。理論上交流側應加B型RCD保護,直流側加裝直流絕緣監測裝置檢測CD正負絕緣檢測。在可預見的未來,隨著新能源汽車走進千家萬戶,充電樁將成為人們生活中不可或缺的一部分。因此,有必要對充電樁中的剩余電流保護裝置進行升級。
剩余電流動作保護裝置(RCD)作為漏電保護器廣泛應用于低壓配電系統中,以防止觸電事故、電氣設備漏電損壞和電氣火災。同樣在電動汽車充電領域,RCD作為基本的電氣保護器件被廣泛使用。2012年至2016年,新能源乘用車保有量從11.6萬輛增長至75.1萬輛,近5年保持75%的年均增速。中國新能源汽車市場自2014年開始高速增長,2014-2015年增速超過200%。2016年中國新能源汽車市場在補貼欺詐和政策沖擊下仍保持63%的增速.新能源汽車市場的增長離不開基礎充電設施的建設。如何保證充電過程中的用電安全,尤其是防止漏電對生命財產造成危害,是需要關注的問題。
二、電動汽車的四種充電模式
GB/T 18487.1-2015《電動汽車傳導充電系統第1部分:通用要求》中電動汽車充電方式有四種: 方式一: 剩余電流保護主要依靠樓宇配電箱中的剩余電流保護裝置(RCD)。由于不能保證所有現有的建筑設備都裝有RCD,這種方法非常危險,已被禁止。 方式二:充電連接線上安裝線控保護裝置(ic-cpd)。IC-CPD 具有檢測剩余電流的功能。 方式三:采用專用供電設備將電動汽車直接接入交流電網,控制引導裝置安裝在專用供電設備上。專用供電設備為交流充電樁。方式四:電動汽車接入交流或直流電網時,采用具有控制引導功能的直流供電設備,即直流充電樁。這里主要討論模式3和模式4充電樁剩余電流保護器的選擇。根據GB/T 18487.1-2015的要求,交流供電設備的剩余電流保護器應為A型或B型,滿足GB 14084.2-2008、GB 16916.1-2014和GB 22794-2008的相關要求什么是A型或B型剩余電流保護器?標準GB/Z 6829-2008(IEC/TR 60755:2008,MOD),剩余電流動作保護器的通用要求,分為產品的基本結構、剩余電流類型和脫扣方式。根據剩余電流類型,RCD可分為AC型、A型和B型。交流型剩余電流保護器:保證在突然或緩慢上升的剩余正弦交流電流下脫扣的RCD。A型剩余電流保護器:具有交流型特性并疊加6mA平滑剩余電流以確保脫扣的RCD。B型剩余電流保護器:包含A型的保護功能,此外,還適用于1000赫茲的剩余電流和正弦波交流,剩余電流的交流疊加平滑直流剩余電流,脈沖直流剩余電流疊加平滑剩余電流,脈動直流剩余電流的兩相或多相整流電路,平滑直流剩余電流確保RCD跳閘。目前,由于B型RCD價格較高,國內大部分交流充電樁都安裝了A型剩余電流保護器。下圖為交流充電樁內部結構,采用A型剩余電流保護裝置。A型剩余電流保護器能否滿足充電樁的漏電保護要求?讓我們分析一下充電過程中可能產生的剩余電流的類型。
交流充電樁內部結構
A型剩余電流保護器能否滿足充電樁的漏電保護要求?讓我們分析一下充電過程中可能產生的剩余電流的類型。 使用交流充電樁充電時,交流充電樁和車輛耦合器接入公共電網。如果電樁發生絕緣失效,可能會產生工頻交流漏電流。在電動車部分,可能的漏電流主要來自車載充電機的漏電流,而充電機的一般拓撲結構主要是AC/DC和DC/DC。
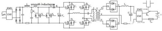
下圖為常見車載充電機的主電路圖。
車載充電器主電路示意圖
AC/DC單相輸入的交流電先經過EMI濾波,然后在Boost APFC電路的作用下將85~265V的交流電整流成穩定輸出的DC 400V電壓,為后臺。DC/DC部分采用移相全橋LLC主電路,將400V的直流電壓轉換為電池可接受的電壓。當電路板與設備外殼之間的絕緣損壞時,整流部分可能會產生脈動直流剩余電流,Boost APFC電路中可能會產生紋波系數很小的直流剩余電流。
這里借用Bender的圖來詳細說明直流剩余電流的產生和危害。
隔離式充電機直流漏電的產生
由此可見,DC/DC部分推挽全橋變換器可能會出現直流漏電。我國低壓配電系統一般采用TN供電。設備金屬外殼接工作零線。通過等效電路的仿真,發現整個系統的電流波形會發生變化,如下圖所示。
充電機直流故障系統電流波形
可見,后端發生直流漏電后,前端電路也會受到影響。整流后的紋波直流波形會發生畸變,產生尖刺,一步步干擾后端電路,影響充電效果,甚至影響電池壽命。另一方面,由于TN系統的存在,這種故障不會在車體形成較大的電壓,對人體的危害較小。但是,如果連接系統的地線缺失或PE線斷開,這部分電壓會對人體造成傷害。事實上,中國很多地方,特別是農村地區,PE線的連接都存在問題。現有的A型RCD只能在6ma直流電流干擾下檢測脈動直流漏電,不能檢測DCD漏電和斷路保護,當直流漏電大于6ma時,由于直流剩余電流會引起鐵心磁化超前,使跳閘值增大,導致A型RCD不能正常動作,因此必須使用B型RCD保護!
三、結語
同樣,在直流充電樁中,市電通過非車載充電機轉換為高精度直流電,為電池充電。直流充電樁漏電保護分為交流側和直流側。理論上交流側應加B型RCD保護,直流側加裝直流絕緣監測裝置檢測CD正負絕緣檢測。在可預見的未來,隨著新能源汽車走進千家萬戶,充電樁將成為人們生活中不可或缺的一部分。因此,有必要對充電樁中的剩余電流保護裝置進行升級。
免責聲明:本文為轉載文章,轉載此文目的在于傳遞更多信息,版權歸原作者所有。本文所用視頻、圖片、文字如涉及作品版權問題,請聯系小編進行處理。
推薦閱讀:




