目前,差動放大電路,差動放大電路圖在當代的應用可謂是越來越廣泛,差動放大電路,差動放大電路圖是值得我們好好學習的,現在我們就深入了解差動放大電路,差動放大電路圖。

差動放大電路,差動放大電路圖
差動放大電路又叫差分電路,他不僅能有效的放大直流信號,而且能有效的減小由于電源波動和晶體管隨溫度變化多引起的零點漂移,因而獲得廣泛的應用。特別是大量的應用于集成運放電路,他常被用作多級放大器的前置級。
一、差動放大電路的概述
基本差動放大電路由兩個完全對稱的共發射極單管放大電路組成,該電路的輸入端是兩個信號的輸入,這兩個信號的差值,為電路有效輸入信號,電路的輸出是對這兩個輸入信號之差的放大。設想這樣一種情景,如果存在干擾信號,會對兩個輸入信號產生相同的干擾,通過二者之差,干擾信號的有效輸入為零,這就達到了抗共模干擾的目的。
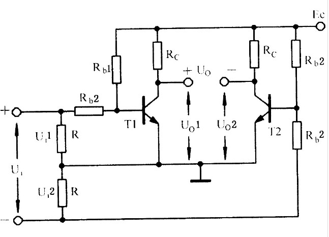
二、差動放大電路的基本電路圖

差動放大電路,差動放大電路圖
差動放大電路的基本電路圖
三、差動放大電路的工作原理
1、差動放大電路的基本形式對電路的要求是:兩個電路的參數完全對稱兩個管子的溫度特性也完全對稱。
它的工作原理是:當輸入信號Ui=0時,則兩管的電流相等,兩管的集點極電位也相等,所以輸出電壓Uo=UC1-UC2=0。溫度上升時,兩管電流均增加,則集電極電位均下降,由于它們處于同一溫度環境,因此兩管的電流和電壓變化量均相等,其輸出電壓仍然為零。
它的放大作用(輸入信號有兩種類型)
(1)共模信號及共模電壓的放大倍數 Auc
共模信號---在差動放大管T1和T2的基極接入幅度相等、極性相同的信號。如圖(2)所示
共模信號的作用,對兩管的作用是同向的,將引起兩管電流同量的增加,集電極電位也同量減小,因此兩管集電極輸出共模電壓Uoc為零。因此:。
于是差動電路對稱時,對共模信號的抑制能力強
字串3
(2)差模信號及差模電壓放大倍數 Aud
差模信號---在差動放大管T1和T2的基極分別加入幅度相等而極性相反的信號。如圖(3)所示
差模信號的作用,由于信號的極性相反,因此T1管集電極電壓下降,T2管的集電極電壓上升,且二者的變化量的絕對值相等,因此: 此時的兩管基極的信號為:所以:,由此我們可以看出差動電路的差模電壓放大倍數等于單管電壓的放大倍數。
基本差動電路存在如下問題: 電路難于絕對對稱,因此輸出仍然存在零漂;管子沒有采取消除零漂的措施,有時會使電路失去放大能力;它要對地輸出,此時的零漂與單管放大電路一樣。 為此我們要學習另一種差動放大電路------長尾式差動放大電路。
四、關于差動放大電路的零點漂移
零點漂移可描述為:輸入電壓為零,輸出電壓偏離零值的變化。它又被簡稱為:零漂
零點漂移是怎樣形成的:運算放大器均是采用直接耦合的方式,我們知道直接耦合式放大電路的各級的Q點是相互影響的,由于各級的放大作用,第一級的微弱變化,會使輸出級產生很大的變化。當輸入短路時(由于一些原因使輸入級的Q點發生微弱變化 像:溫度),輸出將隨時間緩慢變化,這樣就形成了零點漂移。
產生零漂的原因是:晶體三極管的參數受溫度的影響。解決零漂最有效的措施是:采用差動電路。
ps:附加差動放大電路動態圖:

瀏覽過本文<差動放大電路,差動放大電路圖>的人也瀏覽了
基礎知識
http://baike.cntronics.com/abc?page=100
差動放大器,差動放大器電路圖及工作原理
http://baike.cntronics.com/abc/899
基礎知識
http://baike.cntronics.com/abc?page=167




