【導讀】RKE系統允許用戶使用鑰匙扣上的發射機來鎖定汽車門或者開鎖,此外,RKE還具有防盜作用。MELEXIS的無線收發芯片十分適合用在汽車遙控門禁中,其待機模式下僅消耗5nA電源電流。
RKE(Remote Keyless Entry)是遙控門禁系統/遙控車門開關的簡稱。RKE系統允許用戶使用鑰匙扣上的發射機來鎖定汽車門或者開鎖,該發射機傳輸數據到汽車內,用戶按下鑰匙扣上的按鈕開關可觸發系統工作。除了具有開啟汽車制動裝置的技術RKE還具有防盜作用。
RKE系統組成
由一個安裝在汽車上的接收控制器和一個由用戶攜帶的發射器,即無線遙控車門鑰匙組成。

RKE系統的組成
RKE的工作原理
RKE系統允許用戶使用鑰匙扣上的發射機來鎖定汽車門或者開鎖,該發射機傳輸數據到汽車內,用戶按下鑰匙扣上的按鈕開關可觸發系統工作。這樣將喚醒RKE鑰匙扣內部的CPU,CPU則發送數據流到射頻(RF)發射機。數據流通常是64到128位長,包括一個前置位、一個命令碼和一個滾動碼。數據流通常以2kHz到20kHz的速率發送。調制方式為幅度鍵控(ASK),主要目的是為延長鑰匙扣的電池壽命。

RKE鑰匙與基站的結構
尤適于RKE系統的收發器
世強代理的Melexis 低功耗425MHz至445MHz發送器MLX72013尤適于RKE系統,該器件采用8引腳SCIC-8封裝。其1.9V 至5.5V的供電范圍使器件可以采用單節鋰離子電池供電,待機模式下僅消耗5nA電源電流。

世強RF發射器MLX72013的結構框圖
在傳輸曼徹斯特編碼數據時,世強MLX72103支持高達40kbps的數據傳輸速率,消耗2.9mA和5.5mA電源電流,同時可向50Ω負載提供-10dBm至+10dBm的輸出功率。基于晶體的鎖相環產生精確的載波頻率,允許接收器使用較窄的IF帶寬,從而提高傳輸距離。
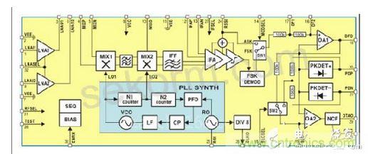
對于RKE的接收器,世強同時提供315MHz至915MHz的超外差ASK接收器MLX71121。MLX71121是一款基于二次變頻超外差架構的高集成單通道/雙頻段RF接收機??梢耘浜螹LX72103使用。
更多RKE方案信息或樣片申請,可以登錄世強元件電商APP獲取。世強元件電商智能硬件創新服務平臺為工程師提供全方位覆蓋的技術支持與優質服務體驗。

世強RF接收機MLX71121結構框圖






