【導讀】用過示波器的朋友都會發現帶寬超過200M的示波器通常會有兩種阻抗,一個是1M,另一個則是50Ω。輸出阻抗不是越高越好嗎?為什么會出現50Ω?本文就由小編為大家揭秘50Ω有什么奧秘。
傳輸線
就像講歷史,不得不插一段軍事理論課一樣,想把我們的50Ω講明白,那也不得不講一下這個傳輸線了。眾所周知,電信號實際上是以電磁波的形式在傳輸線中傳播的。當傳輸線的尺寸不再遠小于電磁波波長時,就不得不考慮這個“波”的特性了。
光在傳輸介質發生改變時會發生反射,電信號也一樣。反射會帶來什么呢,您的信號可能就會成這樣。

圖 1
是不是整個人都不怎么好了。為了不讓反射發生,就出現了均勻傳輸線,如PCB微帶線,同軸線等,他們介質均勻,任何一點橫截面幾何結構相同,這樣就可以保證電信號不會在傳輸線內發生反射了。但是問題又來了,送君千里,終須一別,傳輸線早晚還是要把信號交給信號的負載的。信號一旦來到傳輸線終點,豈不是還是要發生反射么。還好我們的電信號不像光那么矯情。只要保證她的瞬時阻抗不變,她也能將就一下不反射回去。瞬時阻抗就是電信號在傳輸線上某一點所受的阻抗,經過研究發現,均勻傳輸線的瞬時阻抗是個純阻性的,與頻率無關,就像個電阻,而且瞬時阻抗只與傳輸線的幾何結構和填充材料有關,所以又叫做特性阻抗。既然瞬時阻抗像電阻,那我們就給負載并聯一個電阻,讓總阻值和特性阻抗相等,這樣信號就不會有太大的反感,會屈尊降貴的傳到負載中去而不會反射回來,您的電路也就清凈了。這種方法叫做終端匹配。
還有一種方法就是源端匹配,即在源端串入一個電阻,使其與信號源的輸出電阻相加等于傳輸線的特性阻抗,這樣就可以讓反射波的負載與傳輸線阻抗相等,從而吸收反射波,不讓其在傳輸線上撞來撞去。很多時候這兩種匹配是同時用的。
著名的50Ω
特性阻抗大小會影響信號傳輸功率、傳輸損耗、串擾等電氣性能,而其板材和幾何結構又影響制造成本,這種情況只能找一個折中值。而50Ω正是同軸線的傳輸功率、傳輸損耗以及制造成本的一個最佳平衡點。所以大多數高速信號都會采用50Ω特性阻抗系統,形成標準并沿用至今,成為使用最廣泛的一種阻抗標準。比如常見的PCIE,其單端阻抗就是要求是50Ω。
這就是這個50Ω的由來,但是還沒有解釋示波器上為什么會有個50Ω,是為了防止信號反射么,是的,這確實是一個原因,但是除了這點,他還有著其他的意義。
示波器的負載效應
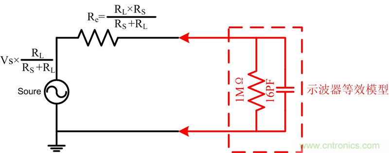
相信大家都有這種經歷,調試一個有問題的電路,想看看波形,結果接上探頭電路就正常了,拿開探頭電路就又出問題。這就是負載效應引起的。示波器在1MΩ阻抗模式下的等效模型比較復雜,大致可以等效成是1MΩ和一個十幾pF的電容并聯在一起的形式。

圖 2
這個1MΩ是示波器的規范。而電容是我們并不想要但是又不可避免的寄生參數。在DC和較低頻時,1MΩ起到主導地位。而當頻率超過10M以后,電容會成為主要的負載。由于這兩個參數的引入,就會使得測量時的信號與原信號有差異,從而使測量結果出現誤差。那么差異有多大呢,這也要取決于您的被測電路的輸出電阻和負載。就按上圖的例子來說。根據戴維寧定理,可變為:

圖 3
經計算可知,如果Re的值是10Ω,而信號的頻率是200M,則示波器的負載效應會造成-0.2db左右的偏差。而如果您系統的Re是25Ω,那么這個偏差會達到-1db。如果是50Ω呢,100Ω呢,無疑誤差會越來越大。
示波器為了使得測量更加準確,是必須在內部加一些補償措施將這些偏差補償回來的(當然這種補償只是相對于測量結果與原信號而言的,內部補償是無法減小測量時信號與原信號之間的差異)。那具體應該按那種情況來補償呢。前面我們已經知道,高速信號中,50Ω系統是使用最廣泛的,所以我們選擇50Ω系統即Re=25Ω的情況下進行補償。示波器廠家都會在這種情況下將信號補償的最好。所以如果您是50Ω系統,示波器測量出的結果影響與原信號最為接近。
如果您的等效輸出電阻與25Ω相差很多且需要測量的頻率較高,則需要評估測量誤差是否在您允許的范圍內。建議使用10:1探頭進行測量,因為其寄生電容要比示波器低,而1:1探頭的負載電容基本上是50pF左右的,其負載效應比示波器本身要嚴重的多。如果10:1探頭仍然不能滿足您的需求,就要選擇寄生電容更小的有源探頭進行測量了。
試想一下,如果用示波器直接與高頻信號發生器相連,測量信號發生器輸出的高頻信號,而高頻信號發生器的輸出電阻都是50Ω,那會發生什么情況呢。由上文可知,負載相應會嚴重影響測量結果。再結合傳輸線理論,可知會有一個反射波反射回信號源,這對于一些精密的儀器這可能是致命的。所以這時候需要加入一個50Ω端接適配器或者使用內部50Ω檔位。這樣既大大減小信號的反射,又可以使得測量出的信號受負載效應影響最小。這就是示波器50Ω阻抗的作用了。
示波器測量與50Ω相關的注意事項
結合傳輸線理論和示波器負載效應,說幾點在示波器測量中與50Ω有關的注意事項。當然,測量較低頻率信號時不需要考慮這些。
1、當示波器使用50Ω端接或者內部50Ω檔位時,只能夠使用50Ω同軸電纜或者一些要求做50Ω匹配的有源探頭。直接測量板載信號時則只能夠使用有源探頭,同軸電纜僅適用于測量無負載信號(如信號發生器)。
2、測量高頻信號時,要注意示波器的負載效應。測量系統最好是50Ω系統,再考慮到傳輸線理論,最好用探頭直接測量負載端而不是中間的PCB。
3、在測量信號發生器輸出波形時,需要進行50Ω端接。否者測量結果將會受示波器負載效應影響嚴重。
相關閱讀:
示波器帶寬是如何影響上升時間測量的?
示波器探頭的5項“基本原則”,需要牢牢把握
技術詳解:示波器的差分探頭,你了解多少?




