中心議題:
- 電壓型PWM逆變控制系統結構及原理
- 電壓型PWM逆變控制系統的分析和設計
解決方案:
- 加入補償網絡
電壓型單環回路控制簡單,在各個領域應用最為廣泛。應用于小功率開關電源時,補償網絡可以簡單地用分壓反饋與基準放大比較來實現。而在大功率電路中校正的難度很大,精度不足。目前僅滿足于反復調試,費時費力。本文就這個問題作一探討。
1、電壓型PWM逆變控制系統結構及原理
逆變控制系統的最終輸出可以是直流電壓、交流電壓、直流電流、交流電流、頻率或功率,在輸出部分需進行濾波。大多數逆變系統輸出是直流電壓,也就是說,系統輸出和調節的是直流電壓量,當然逆變變壓器副邊還有整流電路。脈寬調制(PWM)型開關穩壓電源就是只對輸出電壓進行采樣,實行閉環控制,這種控制方式屬電壓控制型,是一種單環控制系統。
對于這些系統,其反饋量就是輸出電壓的一定比例值,用給定電壓與反饋電壓的誤差信號來調節PWM脈沖的寬度,我們通常把這種逆變控制系統稱作電壓型PWM控制系統。對于大部分電壓型PWM逆變控制系統,不論是直流輸出還是交流輸出,其控制系統的結構框圖都可以統一地畫成如圖1所示的形式。

圖1電壓型PWM逆變控制系統結構框圖

圖2電壓型PWM逆變控制系統
該逆變系統的開環傳遞函數G(S)H(S)由下式給出:

其最大缺點是:控制過程中電源電路內的電流值沒有參與進去。
眾所周知,開關電源的輸出電流是要流經電感的,故對于電壓信號有90度的相位延遲,然而對于穩壓電源來說,應當考慮電流的大小,以適應輸出電壓的變化和負載的需求,從而達到穩定輸出電壓的目的,因此僅采用輸出電壓采樣的方法,其響應速度慢,穩定性差,甚至在大信號變化時,會產生振蕩,造成功率管損壞等故障。
[page]
2、系統的分析和設計
誤差放大器(或調節器)若是比例環節,式(6.12)和(6.13)都是二階的,即系統是二階系統。二階系統是一個有條件的穩定系統。另外,由于輸出濾波參數LC一般比較大,頻率參數
比較低。所以,系統在中頻段是以-40dB/dec的斜率穿過L(ω)=0這條線.在這個系統中,即使采用PI調節器,也只是為了減小穩態誤差。所以,零點也很低,中頻段仍然以-40dB/dec的斜率穿越零線,如圖3所示。

圖3電壓型PWM逆變控制系統幅頻特性曲線
為了使系統滿足穩態性能、動態性能和穩定性的要求,就要使在該系統中就要進行校正。顯然,在中頻段,加一個串聯的超前校正環節(有源或無源)如圖4,就能使其開環幅頻特性的低、中、高頻段都能滿足要求,如圖4所示。

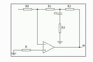
圖4校正網絡
3、加入補償網絡
分壓反饋處,由于電感電壓滯后,所以在反饋處將R1兩端并聯一條電阻和電容的支路,通過電容電壓的超前從而使反饋能瞬時反映出輸出電壓的變化。由于R1,R2的比值很大,通過在R2的兩端并聯一個電容來感應輸出的微弱變化。

其幅頻特性曲線如下:

加校正環節的電壓型PWM逆變控制系統幅頻特性曲線。





