中心議題:
- 初級端和次級端電源模塊的運用
- 連續傳導模式(CCM)功率因數校正
解決方案:
- 整流器的傳導損耗必須最小化
- 提高電源效率的方法之一是采用零電壓開關拓撲
- AC-DC電源中的諧振網絡采用一個變壓器
工業電源必需滿足一些特殊的要求,如低功耗(以減輕機箱冷卻方面的負擔)、高功率密度(以減小空間要求)、高可靠性和高耐用性,以及其它在普通電源中不常見的特性,如易于并聯、遙控和某些過載保護功能等。同時,它對EMI和穩定性的要求也比其它應用更為嚴格。
本文詳細分析了一個400W電源的設計實例,闡釋了初級端和次級端電源模塊的運用,以及其它提高性能的方法。除了在電氣方面的改進外,模塊還采用統一的外形尺寸,便于實現精細緊湊的機械設計并減少安裝和物流成本。事實上,兩個模塊可具有不同額定功率,從而大大縮短了上市時間。
功率因數校正級(PFC),加上總線或DC鏈路電容,對于許多無法單獨優化的不同因素來說是十分關鍵的。現在,大部分電源都采用了有源PFC電路,亦即升壓轉換器,確保輸入電流與輸入電壓同相,使輸入端的正弦波失真最小化,從而減小傳導EMI,實現寬輸入范圍(85VAC~265VAC)。
而且,這個升壓轉換器會根據輸入電壓調節自己的占空比和輸入電流,并把總線電容的電壓調節到350V~400V。然而,如果升壓轉換器不是有源的(例如在啟動狀態),電流可能流經輸入整流器,進入升壓電感和二極管,再到空的總線電容,最終產生很大的浪涌電流。要避免這一問題,需要額外的限流電路,否則可能觸發電網熔絲。在高可靠性或關鍵任務應用中,由于對保持時間和節電保護的要求更嚴格,因此總線電容必須增大,這使得浪涌電流變得更大。
在某些情況下,需要一個NTC電阻,但在“熱”啟動(如停電)時,NTC仍然很熱,不能提供保護。根據DIN-EN61204標準,測試方法針對兩種情況:70%的額定輸入電壓,20ms;以及40%的額定輸入電壓,100mS。第二種情況對沒有有源PFC的電源而言可謂相當棘手。
脈寬調制級(PWM)是主要的轉換器級。其中DC電壓被斬波為更高頻率的方波,因此利用更小的變壓器就可以轉換到另一個電壓級并提供隔離。并非所有的拓撲都采用占空比變化的方波,有些拓撲采用的是變頻,還有的則是改變兩個脈沖序列之間的相位。這一級主要確定轉換器的效率和負載調節。轉換器效率十分重要,首先它關系電源的運行成本;其次是必須通過機箱冷卻來散除產生的熱量;第三是熱組件越大,就越昂貴,占用空間也越大。這三個因素與電源的使用壽命成本關系重大。

圖1工業電源的各個不同級及每級的主要特性
轉換器拓撲的選擇對效率和輻射EMI都至關重要,因為功率開關越傾向于硬開關,產生的dI/dt和dV/dt就很大,同時電流和電壓就越高,這會導致開關頻率諧波的大量產生。在各種拓撲中,諧振或準諧振拓撲都頗具優勢但較難設計,尤其是諧振拓撲,很難在寬泛的負載范圍上實現。下文中描述的LLC拓撲具有在寬負載范圍內有限的開關頻率變化以及軟開關,很容易解決這一問題。[page]
PWM級也是所有必須保護功能的核心所在。在電流模式轉換器的情況下,逐周期限流器可保護電源免受大部分輸出問題的傷害,這些問題通常與熱關斷有關。
同步整流級(SR)把變壓器產生的交流電壓轉換回直流電壓。由于電壓很低,電流往往相當高,故整流器的傳導損耗必須最小化。若采用硅PN結二極管可以獲得0.7V的正向電壓,則采用肖特基二極管可達到0.4V。要獲得更低的電壓級就需采用MOSFET,這時電壓級由導通阻抗RDS(ON)和輸出電流決定,且比前兩種情況要低得多。但因為MOSFET是有源器件,故需要一個適當的柵極驅動信號來完成,如果設計良好,這一級的功耗可大幅度減小,從而進一步提高效率。此外,利用先進的低電感封裝技術,設計還可以非常緊湊耐用。
連續傳導模式(CCM)功率因數校正
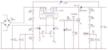
輸入整流器(圖2中沒有EMI濾波器)產生的輸入電壓被饋入到PFC電感中,此時后者的次級線圈為PFC控制IC提供供電電壓。電感前面的電阻/電容網絡可對輸入電壓進行采樣。電感之后是帶柵極保護電路的電源開關,PFC整流器為StealthTM二極管。接下來使用一個電阻分壓器來感測和調節PFC級的輸出電壓,反饋回路至此結束。總線電容也如圖2所示,而二極管D1是一個額外的保護器件。

圖2PFC級的原理示意圖
這里采用的控制器是FAN4810,該器件包含了先進的平均電流“升壓”型功率因數校正實現電路,電源因此能夠完全滿足IEC1000-3-2規范的要求。它還包含了TriFaultDetect功能,有利于確保不會因PFC中單個組件的故障造成不安全事件。1A的柵極驅動器又極大降低了對外部驅動器電路的需求。
此外,它的功率要求很低,既提高了效率也降低了組件成本。該PFC還帶有峰值限流、輸入電壓中斷保護功能,還有一個過壓比較器,可在發生負載突然減小事件時關斷PFC部分。時鐘輸出信號可用來同步下游的PWM級,以減少系統噪聲。圖3中,綠色曲線的較厚區域代表電流紋波,PFCIC在峰值輸入電壓下消耗電流較多,過零時沒有電流。粉色曲線代表整流器輸入電壓,藍色曲線為輸出電壓。

圖3CCMPFC的行為[page]
LLC拓撲
提高電源效率的方法之一是采用零電壓開關拓撲。在這種拓撲中,電路中的電源開關在電壓極低時導通。對于鉗位感應開關MOSFET,導通損耗PONLOSS可由下式粗略求得:
![]()
IL為流經MOSFET的負載電流,VDS(SW)為MOSFET導通前的漏源電壓,tON為導通時間,而fSW則為開關頻率。
在硬開關拓撲中,VDS(SW)是總線電壓,對帶有PFC前端級的應用來說一般約為400V。對于零電壓開關,該電壓被降至MOSFET二極管的正向電壓降,在1V左右,從而極大地減小了導通開關損耗。
圖4所示為LLC諧振轉換器的模塊示意圖。其核心組件是諧振網絡,在輸入端電壓波形和流入輸入端的電流之間產生相位滯后,加載在輸入端的電壓波形是方波,利用半橋或全橋電路很容易就可以從PFC輸出電壓中產生。

圖4LLC諧振轉換器模塊示意圖和零電壓開關波形
如果忽略橋式電路中死區時間效應以及更高階諧波的出現,那么流入諧振網絡的電流可近似表示為正弦波。由于流入諧振電路的電流滯后于電壓基波,當MOSFET處于導通狀態時,電流從兩個方向流入,如圖4所示。MOSFET在電流流經體二極管時導通,導致“零”電壓開關。這種方法帶來的一個額外好處是導通時產生的EMI較低,這是因為高dv/dt和di/dt轉換時間要短得多,而且通常沒有標準硬開關應用中不可避免的反向恢復效應。
由于諧振電路的輸出是周期性的,因此需要對之進行整流。這可以采用如圖4所示的全波整流器或一個帶中心抽頭(centre-tap)的整流器來完成。
最后,AC-DC電源中的諧振網絡基本上都會采用一個變壓器。該變壓器執行兩項任務:其一是提供初級端和次級端之間必需的安全隔離;其二是通過它的匝數比控制電源的總體電壓轉換比率。
為了避免Q1和Q2同時導通的風險,需要一定的死區時間。以Q1的關斷波形為例。流經開關的電流很大,接近峰值電流。關斷期間的電壓擺幅為滿總線電壓,因此關斷步驟是無損耗的。
要確保Q2的零電壓開關,Q1的漏源電容完全充電十分重要,這意味著充電時間不應該超過死區時間。若總線電壓為VBUS,開關時電流為ISW,有效漏源電容為CDSeff,則電容的充電時間tSW可由下式計算出:
![]()
VBUS由設計條件事先確定。如果CDSeff為零,Q2就會如預期地實現零電壓開關。如果CDSeff非常大,Q2為硬開關工作。輕載下ISW很小,當負載足夠小時,最終也會發生Q2硬開關。
有時可為每個MOSFET并聯一個電容。如果其容量選擇適當,就可以降低關斷損耗,同時又不影響較輕負載下的零電壓開關性能。
LLC諧振轉換器是讓諧振轉換器與一個電感串聯。這樣一來,諧振電路中就有兩個電感和一個電容,故名為L-L-C。圖5顯示了一個實例電路的增益特性。

圖5LLC諧振轉換器增益曲線實例在工作區域,電壓增益首先隨著頻率的增加而降低,這確保了零電壓開關所需的相位滯后。控制電路通過改變頻率來改變系統增益。最小增益和最大增益之間的差距相當小,因此諧振轉換器需要很窄的DC電壓輸入范圍。在這個電源設計中,由PFC級提供窄輸入電壓范圍,建議采用連續傳導模式PFC級。[page]
利用PFC級,LLC轉換器的輸入可設置在400V左右。如果所需輸出電壓為12V、匝數比為40:1,則額定負載下需要1.2的DC增益。無論負載情況如何,頻率始終不變。
為便于說明,假設輸入電壓提高到480V,則控制電路需把增益降至1.0,以保持12V的輸出電壓。在這種情況下,頻率會在115kHz(滿負載)和130kHz(20%負載)之間變化,從圖中可看出何時決定不同負載下的增益曲線與增益為1.0的線在哪個頻率下相交。利用前述應用中采用的前端PFC級,在缺輸入半波的情況下需要一些額外的增益,即所謂的“保持”時間要求。
同步整流
次級端的同步整流級是利用新的FPP06R001模塊來構建的,如圖6所示。

圖6同步整流器模塊如何連接在變壓器的次級端上
用來調整次級電壓的二極管通常由MOSFET代替,該模塊包含了柵極驅動器和功率MOSFET,采用外引腳極寬的小型單列直插封裝,可減小寄生電感和電阻。
利用模塊來代替分立式組件可以提高效率、減小EMI并簡化總體設計。模塊中MOSFET的RDS(ON)比分立式解決方案中的小10%,總體封裝阻抗小16%,振鈴因此減少,從而減小了EMI。柵極驅動器回路的尺寸很小,這又進一步減小了EMI輻射,增強了抗干擾能力,尤其是對漏極上的dv/dt干擾。由于兩個棘手回路的布局都已在模塊內完成,所以對設計人員而言總體設計變得較簡單。
圖7解釋了讓柵極驅動器靠近功率MOSFET為什么如此有用。柵極驅動器的非零輸出阻抗ZDRV必須通過寄生阻抗Zstray1和Zstray2,以及柵極阻抗Rg來控制MOSFET,尤其是關斷。這時,漏極上的高dV/dt加上柵極路徑上的高阻抗,可能引起MOSFET的寄生導通。而利用極短的連線和功能強大的柵極驅動器,幾乎可以實現完美的開關。

圖7柵極驅動器電路中的寄生阻抗
通過分析功率MOSFET上的電壓級,可以創建柵極驅動器信號,確定開關導通的準確時序。一旦完全導通,開關上的電壓降可利用公式RDSON×IOUT算出,因此RDSON越低,電壓降就越低,功耗也越低(這時開關損耗忽略不計)。確定正確的功率開關導通和關斷時間是非常重要的,這樣就可避免體二極管的傳導,后者會造成電流換向,最終增大電壓降。
下表比較了在輸出功率為400W(24V,17A)、結溫為100℃時,采用不同整流器獲得的結果:

有意思的是,輸出整流器的功耗只與輸出電流有關,而與輸出電壓無關。輸出電流越高,同步整流解決方案就越有優勢。肖特基二極管的實際限制在10A左右,超出這個限值,整流器的功耗會變得相當大,這是因為正向電壓在某種程度上依賴于電流。不過,對于較高的輸出電壓,肖特基二極管可能更好,因為電流更小并且無需驅動電路。
電源系統
在歐盟指令下,一種新的電源效率測量方法已被采用,可在25%、50%、75%和100%的額度輸出功率下對輸入輸出功率進行測量。利用這種方法,電源效率可達到93.8%。

圖8初級端和次級端模塊采用相同的尺寸,有利于實現非常精細的機械解決方案



