【導讀】本文從智能家居發展現狀及基于MCU的智能家居系統呈現新趨勢方面進行分析,給你帶來飛思卡爾產品在智能家居中的應用及32位Kinetis E系列帶來綠色安全智能家居方案,這些方案可滿足市場在環境、能源效率、可靠安全方面的需求。
智能家居概念及發展現狀
智能家居是一個居住環境,是以住宅為平臺,裝有智能家居的場所。這個場所融合了自動化控制系統、計算機網絡系統和網絡通信技術的網絡化、智能化的家居控制系統。智能家居將讓用戶有更方便的手段來管理家庭設備,比如,通過觸摸屏、互聯網或者語音識別控制家用設備,更可以執行場景操作,使多個設備形成互連和互動;智能家居內的各種設備相互間可以通信,從而給用戶帶來最大程度的高效、便利、舒適與安全。
經過近幾年的技術發展,特別是物聯網與云計算的迅速崛起,給智能家居行業帶來了全新的面貌,智能家居的定義也變得愈加廣闊。智能家居已經不再僅限于視頻監控、防盜報警、智能控制等普通的安防,而是通過物聯網與云計算結合整體系統平臺的應用,把衣食住行的信息植入到智能家居系統。在智能家居細分領域,智能家電、智能照明、樓宇對話、家居控制等,各種應用在迅速發酵。中國室內裝飾協會智能化委員會秘書長向忠宏指出,智能家居產業在中國已有十三年的發展歷程,目前規模已過百億,在智慧城市、物聯網的雙引擎推動下,未來十年內將成長為數千億的市場。
基于MCU的智能家居系統呈現新趨勢
在智能家居系統中,為了實現遠程監控以及與外部網絡的通信,必須要實現單片機系統的互聯網控制與接入,都需要基于MCU來實現。同時,由于現代生活中的數據交互量急劇增長,智能家居對MCU的處理能力、綠色節能、安全性也提出了新的要求。
智能家居本身有著高可靠性需求,這要求MCU本身也具有這一特性,以保證在整個人居建筑中,各個智能化子系統能二十四小時運轉,系統的安全性、可靠性和容錯能力必須非常好。對各個子系統,應以電源、系統備份等方面采取相應的容錯措施,保證系統正常安全使用,具備應付各種復雜環境變化的能力。
另外,智能家居的部分應用環境可能會需要電池供電,這對MCU的低功耗特性提出更高挑戰。此外,智能家居中的有些應用需要更精確的測量和控制、更好的能效,都需要有更復雜的數學模型和運算,這就要求MCU的運算速度大幅提升,以滿足能耗和運算的需求,因此,在一些解決方案中,MCU也在從8位、16位向32位遷移。
還有一些家居應用要求MCU具有更強大的驅動能力,如LCD驅動和I/O口的驅動,更強的PWM輸出能力等,甚至使得MCU逐漸向SoC靠攏。
可見,智能家居系統中的MCU,應當是富有競爭力的。
下一頁內容:飛思卡爾產品在智能家居中的應用
[page]
飛思卡爾產品在智能家居中的應用
飛思卡爾是智能家居系統中MCU、射頻、傳感器、模擬技術與電源管理、處理器等產品的領先供應商,并致力于向市場提供嵌入式工業解決方案。在智能家居應用中,飛思卡爾可用的、滿足現實需求的產品和方案不斷增加,在這個領域積累了很多經驗。利用這些先進的產品系列,飛思卡爾提供更加智能和更具成本效益的解決方案,應用涵蓋照明、HVAC、網絡控制、樓宇接入、監控和安全、家居智能能源(家庭能源管理系統、家庭太陽能逆變)、能源利用(商業太陽能逆變器、離網太陽能逆變等)等。這些方案可以滿足市場在環境、能源效率、可靠安全方面的需求。
在家庭能源管理系統中,通常需要提供綜合用戶界面和廣泛連接功能。飛思卡爾具有多種基于業界領先Power Architecture和ARM處理器的解決方案,非常適用于這種應用,系統方案示例見下圖。利用通信處理器、電源管理器件、無線收發器、圖形處理等廣泛的產品線,如MPC8308、MC13224、S08QE、I.MX233、I.MX6S等,飛思卡爾的解決方案使智能家居中的各個點都可以通過一個集中的點連接和控制,實現高能效和能源優化。
在部署具有通信功能的電表后,可以向業主提供許多應用,以便優化整體能源管理。對電力公司來說,這可以作為一種管理電網負荷并防止電力需求激增的方式。此外,家庭能源管理系統的功能還可以包括:從智能電表中采集實時能耗數據,從各種家電中采集功耗數據;控制家電的開啟/關閉;生成儀表板,以提供關于能源使用情況的反饋信息;提供控制菜單,對家電進行有效控制;提供與電力公司和/或互聯網之間的鏈接……目標應用包括家庭局域網絡(HAN)、家庭能源網關以及家庭自動化等。

圖1:基于飛思卡爾廣泛產品線的家庭能源管理系統示例
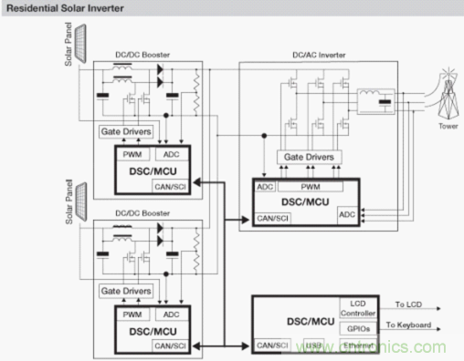
家庭太陽能逆變系統中,飛思卡爾的處理器、微控制器產品,如MC56F84XXX、MC56F82XX、56F803X等等產品,為整個系統帶來可行、高效、可靠的電源轉換方案。

圖2:基于飛思卡爾MCU和DSC的家庭太陽能轉換系統
上述幾種智能家居方案示例實際應用中已被采用。
下頁內容:32位Kinetis E系列帶來綠色安全智能家居方案及系列特性
[page]
32位Kinetis E系列帶來綠色安全智能家居方案
飛思卡爾具有完善的8位、16位和32位MCU系列產品,廣泛應用于工業、網絡、能源、汽車、醫療、消費電子等眾多領域。Kinetis E系列器件是飛思卡爾極具特色的MCU系列之一,也是業界最具擴展能力的ARM Cortex-M0+ MCU產品,智能家居應用是其發揮優勢的一大市場。該系列MCU具有強大的系統電磁抗噪能力(過去只有8位和16位MCU具有這種能力),是白色家電和工業應用,如洗碗機、冰箱、家庭和樓宇控制系統、電機控制風機、工業轉換器,以及通常在高噪聲環境中運行的其他應用的理想選擇。
利用Kinetis E系列的耐用設計和32位處理能力,系統設計人員可以只采用一個器件,而不是以前所需的多個MCU。此外,大間距封裝選件和高靜電放電保護性能支持單層板設計,減少其他電路保護組件的需求,從而降低系統成本。
該系列產品可在復雜電氣噪聲環境和要求高可靠性的應用中保持高穩定性,而且有豐富的內存、外設和產品包可供選擇。它們具有通用的外設和引腳數量,使開發人員能夠輕松實現相同MCU系列內或多個MCU系列間的遷移,以利用更多存儲器或特性集成。這種可擴展性使開發人員能夠在Kinetis E系列上實現其終端產品平臺的標準化,最大程度地提高硬件和軟件的再利用,縮短產品上市所需的時間。
Kinetis E系列是32位MCU。32位MCU一直以來都以低電壓運行,人們通常會認為,32位MCU在工廠等惡劣電磁環境中甚至很多家庭中并不可靠。但是Kinetis E系列打破這一認知開創新局面,將低成本、高性能、先進的電磁兼容性(EMC)和靜電放電(ESD)保護功能完美結合,符合工業級的可靠性和溫度要求。
Kinetis E系列特性:
32位ARM Cortex-M0+ 內核
存儲空間可以從8 KB閃存/1 KB SRAM擴展到128 KB閃存/16 KB SRAM
具備片上模擬比較器和12位ADC,具有精確的混合信號處理能力
強大的定時器,面向包括電機控制在內的廣泛的應用
串行通信接口,如UART、SPI、I2C等
高安全性,帶有內部看門狗和可編程CRC模塊
單電源(2.7–5.5 V),具備完整的閃存編程/擦除/讀取功能
工作環境溫度范圍:-40℃–105℃
根據產品特性可以看出,飛思卡爾智能家居解決方案可為市場帶來綠色、安全、節能、靈活等優勢。
以Kinetis子系列KE02 MCU為例來看。KE02 MCU以ARM Cortex-M0+為內核,該內核以其低功耗特性深獲市場贊譽。KE02也是Kinetis E系列的入門級產品,引腳與整個E系列兼容,擴展靈活,另外,它們還與8位S08P系列兼容。
這個子系列擁有一系列強大的外設,其中包含模擬、通信、定時器與控制等,同時也有多種規格的閃存和引腳。該系列是提供低功耗、高耐用性和高能效的MCU,為開發人員提供適合的入門級32位解決方案。
作為新一代MCU解決方案,該系列特別增強了ESD/EMC性能,廣泛適用于強電氣干擾環境下對成本、高可靠性有特殊要求的應用場合中,比如家用電器、DC風機、計量/PLC、后備式UPS、模擬電源、DC/DC等。其中,電源管理模塊(PMC)提供三種電源模式:運行、等待和停止模式,可以在保障能源效率的情況下運行。內置看門狗和可編程CRC模塊、每芯片64位唯一識別碼(ID)可提供更高的安全性。

圖3:KE02 MCU家族框圖
飛思卡爾的設計資源
對各系列MCU,飛思卡爾為工程師提供了強大的設計工具和設計資源,對Kinetis E系列也不例外。這些資源包括FRDM-KE02Z Freescale Freedom開發平臺、Processor Expert軟件以及軟件開發工具包,可輕松訪問樣本軟件庫。采用低成本Freescale Freedom開發平臺,客戶可以輕松、快速評估并原型設計飛思卡爾MCU。此外,Kinetis E系列MCU還獲益于廣泛的ARM生態體系支持,包括現成軟件、工具和培訓,以及合作伙伴開發的解決方案,如IAR Embedded Workbench和Keil MDK-ARM微控制器開發工具包。其他開發資源包括具有高性能和最佳功率效率CoreMark?/mA的中間件和軟件庫。在Kinetis MCU社區,工程師還可以實現快速設計入門指導。







