【導讀】當您所做的只是繪制原理圖時,電壓源和電流源同樣容易實現。然而,當我們進入電路設計的現實世界后,我們逐漸意識到產生或多或少恒定的電流,不知為何,要比產生或多或少恒定的電壓困難得多。但是,這并沒有改變電流源有時非常有用的事實,而且聰明的工程師創(chuàng)造了各種實用的電流源電路是一件好事。
本文是 AAC 模擬電路文集的一部分,介紹了一種高性能電流源,它只需要幾個現成的組件。
當您所做的只是繪制原理圖時,電壓源和電流源同樣容易實現。然而,當我們進入電路設計的現實世界后,我們逐漸意識到產生或多或少恒定的電流,不知為何,要比產生或多或少恒定的電壓困難得多。但是,這并沒有改變電流源有時非常有用的事實,而且聰明的工程師創(chuàng)造了各種實用的電流源電路是一件好事。
如果您更喜歡使用運算放大器,Howland 電流泵可產生電壓控制電流,并且只需要一個運算放大器和四個電阻器。
Howland 電流泵。
如果您不喜歡使用分立晶體管并且(出于某種原因)手頭沒有任何運算放大器,您可能需要考慮將其中一個線性穩(wěn)壓器轉換為電流源。
吉姆·威廉姆斯當前資源
這絕不是該電路的名稱,我當然不想暗示它是 Jim Williams 設計的電流源——我不會驚訝于他提出了六個創(chuàng)新的,高性能電流源拓撲結構。盡管如此,他是應用筆記的作者,我不知道該電路還能叫什么。
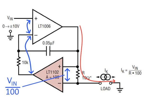
如下圖所示,該電流源需要兩個放大器 IC 和一些無源元件。
圖表取自LT1102 的數據表。
LT1006 是典型的精密運算放大器,LT1102 是高精度儀表放大器。應用筆記是 1991 年出版的,所以這些都是一些舊的 IC。我在仿真中使用了 LT1006 和 LT1102(將在下一篇文章中討論)只是為了確保仿真中的所有內容都與原始設計一致——實際上,Digi-Key 仍將這兩個部分歸類為“有源器件” ” 盡管如此,我鼓勵您嘗試使用一些更新的(并且可能性能更高)替代這些遺留 IC。
以下列表重點介紹了 Jim Williams 電流源拓撲的一些特性。
它是電壓控制和雙向的——負載電流的大小和方向由輸入電壓的大小和極性決定。
它以地面為參考;負載電阻的一側直接接地。
如上圖中包含的等式所示,電流幅度還受 R 影響,即儀表放大器輸入端子之間的電阻值。
如果為 R 使用超高精度電阻,使得該元件引入的誤差可以忽略不計,則電路的初始精度和溫度穩(wěn)定性對應于儀表放大器的增益精度和溫度系數。
該電路穩(wěn)定性好,能適應輸入電壓的快速變化。
了解電路
該電流源運行的關鍵是儀表放大器的使用。通過檢測與負載串聯的固定電阻兩端的電壓,我們可以生成不受負載電阻值影響的輸出電流。
下面是我嘗試逐步解釋該電路如何工作的嘗試。
運算放大器 (A1) 在負反饋配置下運行。反饋路徑中儀表放大器 (A2) 的存在不會改變反饋環(huán)路已閉合的事實。
負反饋的存在使我們可以使用虛空假設。因此,A2 的輸出必須等于輸入電壓。
虛擬短路情況并非憑空出現;相反,虛擬短路是由運算放大器輸出端子的動作強加的。由于 A2 的增益為 100,A1 的輸出將采取任何必要措施以確保 R 兩端的電壓等于輸入電壓除以 100。
由于 R 是一個固定電阻,并且由于 R 兩端的電壓總是與輸入電壓成正比,我們從歐姆定律知道流過 R 的電流總是與輸入電壓成正比。
由于負載與電阻器 R 串聯,輸出電流始終與輸入電壓成正比,與負載電阻無關(當然在限制范圍內,例如,您無法通過 1 MΩ 驅動 10 mA負載,除非你能找到接受電源電壓高達 10,000 V 左右的放大器)。
電容器和另一個電阻器決定了電路的頻率響應,我假設選擇的值是為了產生理想的相位裕度。
免責聲明:本文為轉載文章,轉載此文目的在于傳遞更多信息,版權歸原作者所有。本文所用視頻、圖片、文字如涉及作品版權問題,請聯系小編進行處理。
推薦閱讀:



