【導讀】通常在電力系統中,按照電氣設備的作用將其分為一次設備與二次設備。一次設備是指直接用于輸送、生產、分配電能的電氣設備;二次設備是用于對電力系統以及一次設備的工況進行檢測、控制、測量、調節和保護的低壓電氣設備。以下是常用的電機驅動電路,分享給大家收藏慢慢看。
通常在電力系統中,我們按照電氣設備的作用將其分為一次設備與二次設備。一次設備是指直接用于輸送、生產、分配電能的電氣設備,比如包括了發電機、電力變壓器、斷路器、隔離開關、母線、電力電纜和輸電線路等等,是構成電力系統的主體重要組成部分。
二次設備是用于對電力系統以及一次設備的工況進行檢測、控制、測量、調節和保護的低壓電氣設備,比如也包括了測量儀表、一次設備的控制、運行情況監視信號及自動化監控系統、繼電保護和安全自動裝置、通信設備等等。
二次設備它們之間按照一定的功能要求鏈接在一起,所構成的電氣回路我們將其統稱為二次接線或者稱為二次回路,它是確保電力系統安全生產、經濟運行和可靠供電中不可缺少的重要組成部分。
以下圖是常用的電氣控制電路:
1.電動機直接啟動控制電路圖

2.電動機降壓啟動控制電路圖

3.直流電動機控制電路圖

4.電動機制動控制電路圖

5.電動機順序控制電路圖

6.自動往返控制電路圖

7.電動機速度控制電路圖

8.延時頭配合接觸器控制電路圖

9.變頻器和軟啟動控制電路圖

10.供排水控制電路圖

11.開機信號預警電路圖

12.常用控制電路按鈕接線圖

13.重載設備啟動控制電路圖

14.溫控儀控制電路圖

15.移相電容器及其控制電路圖

16.照明電路圖

17.保護電路圖
18.計量與儀表電路圖

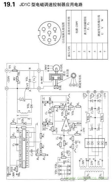
19.電磁調速控制器電路圖

20.其它控制電路圖




