【導讀】接地無疑是系統設計中最為棘手的問題之一,沒有任何一種接地方法能始終保證最佳性能。盡管它的概念相對比較簡單,實施起來卻很復雜,如果在某些細節上處理不當,可能會導致令人頭痛的問題。下面就來聽聽這位工程師對于復雜的接地設計有什么樣的經驗之談吧!
接地到底是什么、有哪些?沒有人給出標準答案。但是對于做產品的工程師而言,接地是實實在在擺在眼前的問題,是不可回避的技術。借此機會,鑒于個人理解,就來個接地漫談。
第一個問題:接地首先要解決的是系統觀。
“PCB+接口+處理平臺+結構”這是最基本的硬件系統,而硬件系統是產品的根本。接地在每個環節中都至關重要。如果你的接地觀僅限于PCB板級接地,那么你就OUT了。除非你的PCB板不與其他模塊連接,你的產品不是用來使用的,而是放到陳列室的!
第二個部分:從接地技術分類和機理講起,從接地的目的到接地的手段。
接地從大的方面主要是分為保護接地和工作接地兩種:保護接地主要是保護設備和人身安全而設置的,比如防雷地和設備外殼的保護地;工作地是針對設備正常工作或者進一步的上升為良好工作所設置的接地,主要包括模擬地、數字地、功率地、屏蔽接地、防靜電接地等。這種分類也是從目的出發:保護和電磁兼容。

相關資料下載:工程師分享:《良好接地原則》 [page]
設備外殼的保護接地:目的就是防止內部帶電線路絕緣破損,造成的“搭殼”而誤傷到人。形式就是在常規市電供電制式下,把所有金屬外殼設備的外殼接地,以分流絕大部分故障電流,進而保護人身安全。
這里強調一下,從接地目的可以知道以上兩種接地,都是指接地球。

然而工作接地就明顯與上文不同,都是針對信號或者噪聲的,往往都是低幅值的,一般不涉及人身和設備安全。而更多關注電磁兼容方面的設計需求。
參考《良好接地指導原則》關于工作接地的定義,就要改寫成:工作電流的返回路徑。信號分為DC和AC,返回路徑是信號在現有物理條件下,按照信號“自身特征參數”自主選擇出來的。既然這樣,我們能做的就是在一定程度上去預期設計物理條件。有一點需要強調的是:狗急了會跳墻,兔子急了會咬人,千萬千萬要給信號回流留出通路,不然你會發現你的產品無論EMS還是EMI都是嚴重超標的。設備能不能正常工作,就只能看自己的造化了。這樣就要求我們在想要割地的時候,一定想好有沒有給信號返回留出哪怕一丁點兒的路徑。
工作地中的模擬地、數字地、功率地都可以歸為板級接地,這里主要提到PCB布局。
我崇尚的設計理念是能清楚預測和控制路徑的就人為分區加分割,不能清楚預測的就全部完整地平面,只分區不分割;當然實際工作中,產品是多個模塊的,所以二者結合居多。
附件文中提到的直流返回路徑和交流返回路徑,二者都是走符合自身要求的最低阻抗路徑返回:即直流走最短到達路線,交流走最小面積路徑,需要強調的是,這里面積是指去向和回向所形成的面積,往往是指電路板截面相關的面積。
[page]
首先以模數混合設計舉例,最典型的就是ADC的接地方式了。附件講的很全面,這里主要重復說明一些內容。

如上圖所示,《良好接地指導原則》中很明確地指出“AGND和DGND需在外部短接連接至低阻抗地”。
“將芯片焊盤連接到封裝引腳難免產生線焊電感和電阻”,這里指A、B兩點焊盤到外圍引腳的阻抗,這是IC設計人員想方設法要做到最低的,但工藝只能這個樣子。
“有人問為什么不在內部做好短接工作呢?”文中大概提到是為了為了防止進一步耦合;怎么理解這一句?大概是說為了降低公共阻抗部分的耦合,進而減少模擬部分因公共阻抗耦合到的數字噪聲的意思,所以一般廠家都不會在內部短接AGND和DGND,而是留到外部盡量構成星型接地。
快速變化的數字電流在B點產生電壓,且必然會通過雜散電容CSTRAY耦合至模擬電路的A點”:針對低負載(BUFFER負載)的數字部分,ID由后級回路阻抗決定,VB由ID和ZP(由RP、LP構成)決定,數字耦合到模擬的噪聲電壓VNA=ZP/ZP+ZC“將DGND連接到數字接地層會在AGND和DGND引腳兩端施加VNOISE,帶來嚴重問題!”這里的VNOISE是指整個AGND平面與整個DGND平面之間的噪聲。這里想表達的是如果同一個芯片的2個接地引腳跨接在兩個接地平面上會引發的問題。當然這里只是針對這種小數字電流的ADC。
像這種ADC接地布局一般在模擬和數字電源端相互隔離去耦,在接地端保證低阻連接并接模擬地。
屏蔽接地:一般我們把屏蔽分為兩種,一種是磁場屏蔽,這時,我們不太關注是否真的要接地,我們只關注磁場對屏蔽后方的均勻程度,也即是否會變成差模的干擾;另一種是電場屏蔽,也是基于靜電屏蔽原理,這里我們一般要求必須接地;總體上,這段話提到的接地都是指信號返回路徑的地(即噪聲要返回到噪聲源的途徑),而并非一定要接到地球。
講到屏蔽接地,就想到生活中最普通的臺式電腦。電腦機箱主要用著承重構架和屏蔽的,夏天天氣熱,胳膊腿都裸露著,偶爾碰到電腦機箱,猛地一下被電到。這樣的經歷你有沒有??
電腦機殼電人,到底是一種什么現象,是靜電?是漏電?
我給出的答案是:大多數情況下是漏電,而非靜電。這和你家墻插有沒有真正的地線有關。當墻插沒有地線時,而你的電腦主機和電源都是正品的時候,往往你會被不停地電一下的!
[page]
在主機內部電源一般都是開關電源,為了保證EMC各項指標合格(安規測試),一般正規廠家都會在交流輸入級加入線路濾波器見下圖,其中C1、C2為共模電容也叫Y電容,C3為差模電容也叫X電容。此電源濾波器目的是解決供電設備EMS和EMI問題而設立的,但是它的存在勢必引入人身安全隱患。所以這類電容必須從耐壓、漏電流、到失效效果上被特殊制作,被稱為安規電容。這個電路也是保護地、噪聲返回路徑結合的一個例子。

LNG分別對應墻插的火線零線和地線,同時機箱也是和G相連接的。常規市電供電,火線L對大地大概220V電壓,這個和墻插有沒有接地無關。當墻插沒接地線時,也就是說機殼未接地,那么L對G(機殼)就會呈現110V左右電壓,G(機殼)對N(即大地,基于TN-S、TN-C-S供電系統)呈現110V電壓,這也就是我們用測電筆點在電腦機殼上,筆會一直亮著的原因。當你碰到機箱的一瞬間,那么漏電流就會通過L到C1到人體到大地再到N形成回路。當然這個電流也是瞬間的,畢竟人體阻抗是很低的,人體接觸后會與C2并聯,打破原來C1、C2的分壓值,進而拉低機殼電位,也就是說瞬間被電后就沒什么感覺了,當然你手拿開后再次觸摸機殼還是會被電一下的。
上面提到了安規,就規定了這個Y電容必須有足夠高的耐壓,足夠小的漏電流,即足夠小的容值,從而保證漏電流不至于威脅到人身安全。
通過上面的分析,大概知道,當自己碰到這樣的電腦機箱,很可能說明自己買到的是正品,是針對安規進行設計過的!但也不要忘了,盡量給他來個接地(球)的線,不然,就會經常被電的!
防靜電接地:摩擦、感應和傳導都會都會產生靜電,針對不同應用場合,靜電防護的方式也不同,比如有的可以直接接地;有的可以高阻接地,比如機房常用的防靜電地板;還有的直接懸空,利用尖端釋放電荷,比如無線防靜電環。
這里指針對常見的防靜電措施說一下,通常防靜電想達到的目的是:
①要限制靜電的積累,隨著靜電荷的積累,勢必產生越來越高的電壓,對人和設備都是安全隱患;
②不能存在大的泄放電流;
這樣就需要一個平衡度的掌握,既想放掉又不至于放的太快。所以一般都是高阻接地的;比如防靜電工作臺和防靜電地板。
[page]
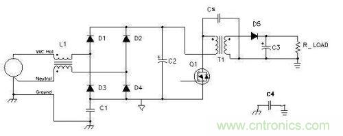
做產品的無論是固定式、便攜式還是手持式的設備,一般都面臨防浪涌保護接地、靜電防護接地、屏蔽外殼接地、板級接地等設計;外殼和PCB板的工作地之間的連接關系,往往很重要。那么這兩種地的連接方式無非是“不連”、“短接”、“阻抗相連”三類情況。這里主要考慮設備接地無論前后都是和電源繞不開的,無論保護接地還是工作接地。下面僅針對隔離型開關電源供電設備進行接地分析(無論是DC-D還是AC-DC,其抗干擾分析是一致的)。

上圖是隔離型AC-DC開關電源原理簡圖,其中Cs為變壓器初次級之間的雜散電容,C1為保護地和熱地之間的安規電容,C4為工作地與保護地(機殼地)之間的安規電容。最前端的三豎線符號的是保護地,中間倒三角符號的是熱地,最后三橫線符號的是負載設備的工作地。
首先我們分析這幾個電容的必要性,也就是作用。開關電源最大優點是效率高,最大的缺點就是紋波噪聲大;那么分析這三個電容就從開關噪聲回路開始。
開關噪聲是開關管在飽和和截止瞬間能量轉換問題引發的衰減振蕩噪聲,這類噪聲的頻率可以預測,幅值可以通過RCD吸收等方式吸收一部分,但傳導干擾本省還是比較嚴重的,尤其針對模擬微弱信號處理的負載板。
這種噪聲傳導必然通過隔離變壓器的雜散電容CS耦合到次級,那么我們在尋找開關噪聲的返回路徑時發現,如果沒有C1,噪聲勢必會通過L-N回路返回,并污染電網,造成對外電磁輻射超標。同時向后,通過雜散電容CS耦合到次級板級供電處,必然也有一條返回路徑C4的存在,才能保證噪聲對后級負載影響盡量降低。其實這種通過電容連接的方式我們也叫做高頻接地或浮地設計,這種接地對低頻而言是浮置的。當然如果不接電容,EMC各項指標都沒法保證的。
以上高頻接地依然存在一個靜電防護問題,就是當PCB負載為浮地設計時,可能會有靜電積累,那么勢必會使C4右端電勢不斷抬高,這樣的靜電隱患必須解決,不然對設備是很大的威脅。方法是有的,我們可以衍生出高頻加靜電釋放接地方式,也就是將電容C4并聯一個釋放電阻一般選擇兆歐級或者壓敏器件。
以上說明了PCB的工作地和外殼地的兩種連接方式---通過電容進行連接或者阻容進行連接以及它們的作用;那如果直接把PCB的工作地直接和保護地(外殼)進行短接,會有什么問題呢?要分情況了:如果保護地很“干凈”,這種方法很實用;如果保護地很“雜亂”,那么最直接的隱患就是大地上的很多干擾,同時都有可能通過這種直接傳導方式進入電路板,通過共模轉差模的方式,進而干擾電路板上的正常信號。當然還存在低頻接地、高頻懸浮的方式連接二者,比如PCB通過電感連接外殼接地。總之,接地是因地制宜的,要考慮實際應用場所,清楚自己接地的目的,然后指導自己用合適接地方式來處理自己的系統,達到安全和電磁兼容的雙重效果。這樣設計出來的產品接地才是合格的!
相關閱讀:
EMC接地的概念與分類
http://www.longhushijia.cn/emc-art/80020981
工程師分享:良好接地指導原則
http://www.longhushijia.cn/gptech-dl/1149





