- 外加電流陰極保護系統簡介
- 半橋電壓型PWM控制方案保護的選擇
- 保護控制電路的設計
當前,城市燃氣、輸油、輸水、電力電纜、通訊光纖等埋地管線越來越密集復雜,管道防腐層由于埋地時間長而出現老化、脫落,造成管道腐蝕、穿孔,引發泄漏,爆炸等,從而造成不可估計的損失。
傳統的管道防腐方法是在管道上涂上油漆或纏繞復合材料作為防腐絕緣層,采用這種方式防腐的管道因防腐層容易脫落和易受腐蝕,故其使用壽命短,施工繁瑣,防腐效果差?,F代的管道防腐一般采用電化學原理,實行陰極保護的方法,向被保護金屬管道通入合適的直流電,使其對于陽極接地裝置變成一個大陰極,對保護管道形成保護電位,從而使腐蝕降低到最低限度,進而延長管道的使用壽命。
隨著微電子技術、計算機技術和信息技術的不斷發展,以及系統可靠性和容錯技術的提高,開發研制具有安全性好、可靠性高、不間斷供電、少維護甚至免維護、智能化、適于遠程集中控制的新一代埋地管線防腐電源,就顯得非常必要,而且迫在眉睫!這也是本文研究的關鍵所在。
外加電流陰極保護系統
從陰極保護原理中得知,由外部直流電源向被保護的金屬構筑物施加陰極電流,可使其發生陰極極化,達到降低甚至完全抑制金屬腐蝕的目的。由此決定了外加電流陰極保護系統的3個組成部分:直流電源,輔助陽極和被保護的陰極。如圖1為埋地管線外加電流陰極保護系統。

半橋電壓型PWM控制方案的選擇
1PWM開關變換技術簡介
隨著功率開關器件的全控化,電力電子技術已經進入了逆變時代。電力開關變換技術始終是電力電子技術的重要組成部分,也一直是人們的重點研究方向,目前比較有代表性的電力開關變換技術有脈沖寬度調制(PWM)、脈沖頻率調制(PFM)和混合調制方式(PWM和PFM的混合)。

PWM是脈沖寬度調制(PulseWidthModulation)的簡稱,這種方式采用恒定開關頻率(即恒定開關周期),用改變導通脈沖寬度,即通過改變Ton或Toff來改變導通比。PWM控制方式以其電路簡單、控制方便從而在DC/DC和DC/AC電路中獲得了極為廣泛的應用。脈寬調制型控制電路的基本結構如圖2所示。[page]
2電力開關變換器拓撲電路分析
PWM型電力開關變換器通常分為兩類,一類是基本的DC—DC變換器,即通常所說的無變壓器式時間比例控制(TRC)變換器;另一類是由變壓器和開關組成的直流變換器,它是在各種基本的DC—DC變換器中嵌入變壓器以實現不同的功能要求。
按照變換功能可將DC—DC變換器分為兩種,一種是電壓-電壓變換器,即這種變換器輸入是一個電壓源,輸出也是一個電壓源。屬于這種類型的有Buck變換器、Boost變換器和Buck-Boost變換器;一種是電流-電流變換器,即這種變換器輸入是一個電流源,輸出也是一個電流源。屬于這種類型的有Cuk變換器、帶有輸入濾波器的Buck變換器和帶有輸出濾波器的Boost變換器。
3半橋型功率變換器的工作原理

本文選用半橋電路的拓撲結構形式,采用電壓型反饋控制模式?!“霕螂娐返脑韴D如圖3。
主電路設計
1輸入級的結構設計

在開關整流模塊中,輸入級的結構如圖4所示。從圖中可知,此部分主要由熔斷器、浪涌電壓抑制電路、自動空氣開關、合閘控制電路、抗EMI電路等組成。
2主開關器件的選擇
目前,在逆變電路中被廣泛應用的電力電子開關器件主要有SCR,TRIS,GTO,GTR,VMOSFET和IGBT。由于他們的電流容量和開關速度各不相同,所以他們在逆變電路中其中的應用范圍也不相同。在設計中,電源輸出功率為500W,逆變頻率為100KHz,根據以上原則,主開關器件選用VMOSFET,VMOSFET型號選擇為IRFP450。
3驅動電路的選擇
在大功率場合,VMOSFET的驅動電路不論是分立器件還是集成電路,主要采用光電耦合或變壓器耦合方式。而光電耦合型驅動電路存在抗干擾能力差,信號傳輸頻率低等缺點(一般不超過20KHz);當本電路中開關頻率為100kHz,采用變壓器耦合驅動具有經濟實用的優點。
本設計中,選用變壓器驅動方式,變壓器選用的是EI-28鐵氧體磁芯(寬28mm×高20.5mm×厚11.0mm)。由于SG3525A的供電電壓15V,驅動變壓器的副邊繞阻需要稍許降壓,并且在柵極與源極之間并聯箝位穩壓二極管,以防范柵極浪涌電壓損壞IRFP450功率開關管,如圖5所示。

圖5 半橋變換器驅動電路
[page]
控制電路設計
1電壓模式的PWM控制器SG3525A簡介
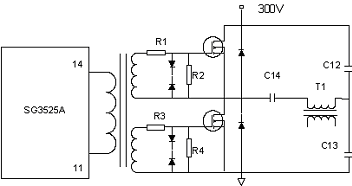
本設計中的脈寬調制器是按反饋電壓調節脈寬的。在脈寬比較器的輸入端直接用流過輸出電感線圈電壓的信號與誤差放大器輸出信號進行比較,從而調節占空比使輸出的電壓跟隨誤差電壓變化而變化。控制器SG1525/7A是目前比較理想的新型的控制器,其中3字頭編號(如3525/7)為民用品,是美國硅通公司率先制造出來的。我國相應的型號為CW1525A和CW1327。SG3525A是標準的16腳DIP封裝芯片。
2SG3525A控制電路
SG3525A的接法見圖6。

監控系統設計
1監控系統的硬件設計
監控系統的硬件結構框圖如圖7所示:

圖7硬件結構框圖
監控系統選用SCB-31-5計算機板和通用鍵盤顯示板。
SCB-31-5的資源有8031、74LS373、2764、6264、ADC0809、DAC0832各一片,時鐘為6MHz;通用鍵盤顯示采用8279(通用鍵盤/顯示接口芯片)。8279能與8031的數據總線直接連接,不占用CPU時間,能自動完成掃描顯示。
2監控系統軟件設計
本監控系統的任務主要是完成如下功能:
(1)實現防腐電源輸出電壓給定信號的設置;
(2)顯示采樣電壓;
(3)顯示采樣電流;
(4)顯示當前功率值。
本設計根據陰極保護工藝的要求,研究了高頻開關電源的基本原理,并結合計算機控制技術,設計出一種新型的防腐電源系統以代替老式的相控電源系統。該設計簡單、可靠,且成本低,可廣泛用于埋地管線防腐工程。


